Microchip Technology ATA6847 Brushless Motor Gate Driver SBCs
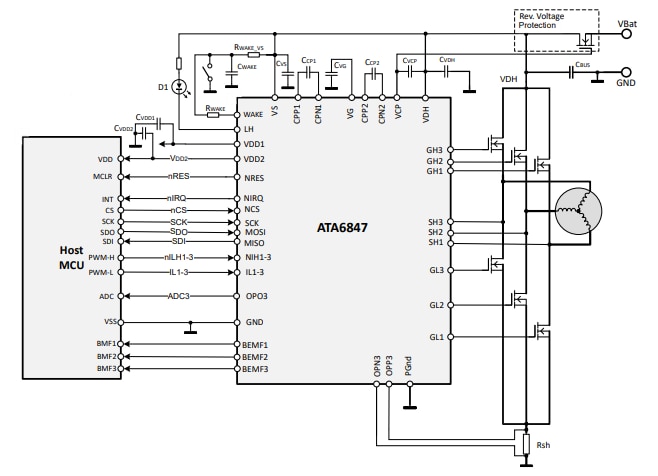
Microchip Technology ATA6847 Three-Phase Brushless Motor Gate Driver System Basis Chips (SBCs) are designed for brushless motor control, utilizing advanced SOI technology. The SBC forms a brushless DC motor control unit by combining a microcontroller and six discrete power MOSFETs. Using six dedicated parallel inputs, the gate driver units (GDUs) can be managed independently, supporting duty cycle operations from 0% to 100%, due to the performance of two charge pumps, for low and high-side gate drives. Additionally, the circuit supplies 5V and 3.3V low-dropout voltage regulators, two current-sensing operational amplifiers, an integrated Back-EMF detection module, and a window watchdog. The microcontroller handles the Microchip ATA6847 SBCs by utilizing an SPI interface.Features
- General
- Power supply voltage range from 3V to 42V
- Sleep (deep sleep) mode with maximum 15μA current consumption with full wake-up capability (local wake-up)
- 3.3V or 5V Microcontroller Interface
- Up to 4MHz SPI bus for device configuration and register access
- SPI frame error detection
- Dedicated NIRQ pin for the MCU external interrupt in order to report events directly
- Input-Output Reset Pin (NRES) with variable reset length to support a wide variety of microcontrollers
- QFN40 package with wettable flanks and exposed pad
- Motor Gate Driver Unit (GDU)
- VDH motor operating voltage range from 4.9V to 32V (overvoltage lockout level)
- VS Undervoltage
- VDH overvoltage lockout selectable
- Individual driving of six external NMOS transistors or complementary driving of three half bridges with three pairs of PWM input pins
- Maximum switching frequency of 50kHz with 100nC gate charge per MOSFET
- Charge pumps for supporting crank pulse voltage operation and 100% PWM duty cycle control
- MOSFET VGS undervoltage monitoring, configurable undervoltage lockout level
- MOSFET VDS monitoring, configurable short circuit detection levels
- Cross-conduction protection timer
- Programmable deadtime insertion or adaptive deadtime control
- Failure detection blanking time for all protection features
- Configurable fault filter times for VGSUV, ILIM, and SCP
- VDH motor operating voltage range from 4.9V to 32V (overvoltage lockout level)
- Current Sense Amplifier (CSA)
- Two integrated high-performance CSAs with configurable gain and output offset
- One advanced power stage current limitation using the op amp output and an integrated DAC
- Back-EMF feedback detector including motor neutral point emulation
- Voltage regulators
- VDD1 - 5V/3.3V, 100mA
- ±2% accuracy
- Foldback short circuit limit (IVDD1 + IVDD2 = 105mA to 135mA)
- Short-circuit protection
- Undervoltage detection
- Overvoltage protection and detection
- VDD2 - 3.3V, 70mA
- ±2% accuracy
- Current limitation of 75mA
- Short-circuit protection
- Undervoltage detection
- Overvoltage protection and detection
- High-voltage output INH for controlling an external component, like a voltage regulator (VDD2 not available in this variant)
- VDD1 - 5V/3.3V, 100mA
- Watchdog
- Window and time-out modes
- Optional cyclic wake-up in time-out mode
- Configurable period and reset pulse length
- Limp Home (LH) - high-voltage failure output
- Functional safety support
- ISO 26262:2018 functional safety ready up to ASIL B
- IEC 61508:2010 functional safety ready up to SIL 2
Applications
- Home appliances using BLDC motor control
- Power tool motors
- Hobby aircraft, boats, drones, or vehicles
Typical Application Circuit
ATA6847-5050/ATA6847-5033 Block Diagram
ATA6847-3333 Block Diagram
Publicado: 2025-07-06
| Actualizado: 2025-08-29
