Microchip Technology MIC4607A Three-Phase MOSFET Drivers

Microchip Technology MIC4607A Three-Phase MOSFET Drivers provide a fast (35ns) propagation delay time and a 20ns driver rise/fall time for a 1nF capacitive load. The MIC4607A TTL inputs can be separate high- and low-side signals or a single PWM input with high and low drive generated internally. High- and low-side outputs are guaranteed to not overlap in either mode. The MIC4607A comprises overcurrent protection with blanking time insertion and a high-voltage internal diode that charges the high-side gate drive bootstrap capacitor. The high-speed and low-power level shifter supplies clean-level transitions to the high-side output. The rugged operation of the MIC4607A provides that the outputs are not affected by supply glitches, HS ringing below ground, or HS slewing with high-speed voltage transitions. Undervoltage protection is delivered on both the low-side and high-side drivers.

The Microchip MIC4607A is housed in a 28-pin 4 mm x 5mm VQFN package with wettable flanks in Moisture Sensitivity Level 1. The operating junction temperature range of the device is between -40°C and +125°C.

Features

  • Gate drive supply voltage up to 16V
  • Enhanced overcurrent protection with added blanking time
  • Drives high-side and low-side N-channel MOSFETs with independent inputs or with a single PWM signal
  • TTL input thresholds
  • On-chip bootstrap diodes
  • Fast 35ns propagation times
  • Shoot-through protection
  • Drives 1000pF load with 20ns rise and fall times
  • Low power consumption
  • Supply undervoltage protection
  • -40°C to +125°C junction temperature range
  • Qualified according to AEC-Q100 and AEC-Q006

Applications

  • Three-phase and BLDC motor drives
  • Three-phase inverters
  • Automotive BLDC motor applications

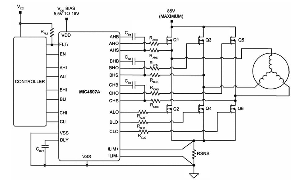
Typical Application Circuit

Application Circuit Diagram - Microchip Technology MIC4607A Three-Phase MOSFET Drivers

Package Type

Mechanical Drawing - Microchip Technology MIC4607A Three-Phase MOSFET Drivers

Functional Diagram

Block Diagram - Microchip Technology MIC4607A Three-Phase MOSFET Drivers

Input Logic Block

Location Circuit - Microchip Technology MIC4607A Three-Phase MOSFET Drivers
Publicado: 2025-02-17 | Actualizado: 2025-06-23