Microchip Technology USB2534D USB 2.0 Hi-Speed 4-Port Hub Controllers
Microchip Technology USB2534D USB 2.0 Hi-Speed 4-Port Hub Controllers are OEM configurable MTT (Multi-Transaction Translator) with advanced features for Intel Thunderbolt and embedded USB applications. The USB2534D is fully compliant with the USB 2.0 Specification and USB 2.0 Link Power Management Addendum and will connect to an upstream port as a full-speed hub or as a full-/hi-speed hub. The 4-port hub supports full-speed, low-speed, and hi-speed (if operating as a hi-speed hub) downstream devices on all of the enabled downstream ports.The Microchip USB2534D has been specially optimized for embedded systems where high performance and minimal BOM costs are critical design conditions. Additionally, all required resistors on the USB ports, including all series termination and pull-up/pull-down resistors on the D+ and D- pins, are integrated into the hub.
The USB2534D facilitates both upstream battery charger detection and downstream battery charging. The USB2534D integrated battery charger detection circuitry implements the USB-IF Battery Charging (BC1.2) detection method and most Apple® devices. These circuits detect the attachment and type of a USB charger and deliver an interrupt output to indicate charger information is available to be read from the device’s status registers through the serial interface.
Features
- 4-Port USB 2.0 Hub Controller for Intel Thunderbolt applications
- USB-IF Battery Charger revision 1.2 support on up and downstream ports (DCP, CDP, SDP)
- Battery charging support for Apple devices
- FlexConnect: Downstream port 1 is able to swap with the upstream port, allowing master-capable devices to control other devices on the hub
- USB to I²C™ bridge endpoint support
- USB Link Power Management (LPM) support
- SUSPEND pin for remote wakeup indication to host
- Vendor Specific Messaging (VSM) support
- Enhanced OEM configuration options available through a single serial I²C EEPROM, OTP, or SMBus Slave Port
- 36-pin (6mm x 6mm) SQFN, RoHS-compliant package
- Footprint compatible with USB2514B
Applications
- Docks and monitors
- LCD monitors and TVs
- Multi-function USB peripherals
- PC motherboards
- Embedded systems
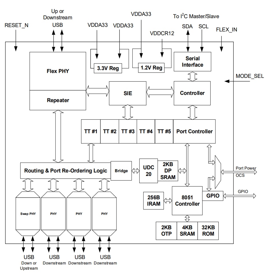
Block Diagram
