Microchip Technology XIFM Gate Driver

Microchip XIFM Gate Driver is an intelligent, isolated Plug-and-Play mSiC™ Gate Driver designed to drive 3.3kV SiC modules in High-Voltage (HV) packages such as HV LinPak/HV100. The Microchip XIFM Gate Driver includes gate drive control, power supply, fiber optic interface, and high voltage isolation (10.2kV).

Features

  • Supports 3.3kV HV100/LinPak SiC modules
  • 10.2kV primary to secondary isolation
  • Augmented switching (configurable turn-on and turn-off)
  • Monitoring functions (isolated temperature, DC link monitoring)
  • Advanced protection feature (UVLO, OVLO, Desat, Negative Temperature Coefficient (NTC))
  • 2 X 10W output power
  • 15A peak source/sink current
  • Configurable gate output voltages
  • Soft ShutDown (SSD) time and voltage level
  • Qualified to below standards
    • Railway standard EN50155
    • EMC compliant to EN 50121-3-2, EN 61000-6-4
    • Shock and vibration to EN 61373
    • Fire hazard level HL2

Applications

  • Rail traction (auxiliary and propulsion systems)
  • Battery charging systems
  • Smart grid/grid-tied distribution generation
  • Uninterruptible power supply (UPS) systems
  • Industrial motor drives
  • Heavy duty equipment
  • Medium voltage chargers/fast chargers

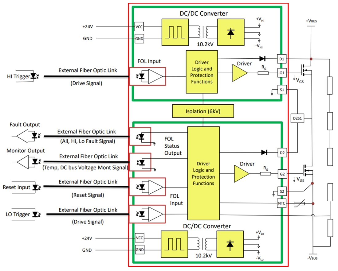
Basic Schematic

Schematic - Microchip Technology XIFM Gate Driver
Publicado: 2025-01-13 | Actualizado: 2025-01-31