Texas Instruments TUSB213/Q1 USB 2.0 High Speed Signal Conditioner
Texas Instruments TUSB213/Q1 USB 2.0 High-Speed Signal Conditioner is developed to compensate for ISI signal loss in a transmission channel. This contributes to passing USB electrical compliance tests. USB Low Speed (LS) and Full Speed (FS) signals are agnostic to the TUSB213 patent-pending design. While HS signals are compensated, the LS and FS signal characteristics are unaffected by the TUSB213/Q1.The device is used in many different applications by programmable signal AC boost and DC boost that permits fine-tuning device performance to optimize High-Speed signals at the connector. Another feature includes compatibility with the USB On-The-Go (OTG) and Battery Charging (BC) protocols.
Features
- Compatible with USB 2.0, OTG 2.0 and BC 1.2
- Pin strap or I2C configurable
- Support for LS, FS, HS signaling
- Ultra-low USB disconnect and shutdown power consumption
- Scalable solution - daisy chain device for high loss applications
- Supports up to 5m pre-ch or 2m post-ch cable length
- Four selectable AC boost setting via external pulldown resistor
- DC Boost along with AC boost for best signal integrity
- D1P/M and D2P/M Interchangeable and host/device agnostic
Applications
- Notebooks
- Desktops
- Docking stations
- Tablets
- Cell Phones
- Active cable, cable extenders
- Backplane
- Televisions
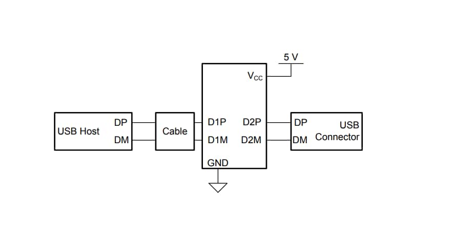
Simplified Schematic
Publicado: 2017-11-01
| Actualizado: 2022-07-11
